GST-ZF-101Z火災顯示盤





一、GST-ZF-101Z總線型火災顯示盤的性能特點:
GST-ZF-101Z 火災顯示盤是一種可用于樓層或獨立防火區內的火災報警顯示裝置。當建筑物內發生火災后,消防控制中心的火災報警控制器產生報警,同時把火警信息傳送到火火災顯示盤上,火災顯示盤會將報火警的探測器編號及相關信息顯示出來并發出聲光報警。火災顯示盤通過消防總線可與 GST200、GST500、GST5000、GST9000、GSTN1500 火災報警控制器配接,火災報警控制器每個回路最多可配接 242 臺火災顯示盤。
GST-ZF-101Z 火災顯示盤主要技術指標
(1) 工作電壓:DC16.8V~DC27.6V
(2) 顯示容量:120 條火警信息
(3) 顯示范圍:000000 00~999999 99 中任意報警編碼點(例如:火災報警控制器上 010001
03 設備報火警,火災顯示盤上顯示窗前六位顯示 010001 設備二次碼,后兩位顯示 03 設備類
型)
(4) 線制:四線制,總線和電源線各兩根,不分極性。
(5) 功耗
電源:靜態功耗≤15mA(DC24V)
最大功耗≤70mA (DC24V)
總線:電源供電時≤0.2mA
無電源時≤1.0mA
(6) 使用環境:
溫 度:0℃~+40℃
相對濕度≤95%,不凝露
(7) 外形尺寸:206mm×115mm×44mm
(8) 外殼防護等級:IP20
1、樓層或獨立防火區內的火災報警顯示裝置
2、占用1個總線點,編碼范圍1-242,支持電子編碼器編碼
3、可替代GST-ZF-101/GST-ZF-500火災顯示盤產品賣點:
4、接口簡單——接入消防二總線,安裝成本降低十分之一以上
5、智能提示——自動識別并顯示報警源(來自手動報警按鈕或探測器)
6、功耗低——最大功率相比下降一半以上,更加節能省電
7、過壓保護——輸入端耐壓AC650V,避免誤操作的嚴重后果
8、消音人性化——支持現場或聯動控制器遠程消音,操作靈活
9、顯示多樣化——支持全部火警/用戶設定/相鄰樓層等顯示方式
10、安裝方便——增加安裝對位標識,減少限位卡鉤,電源蓋換成橡膠塞
二、GST-ZF-101Z總線型火災顯示盤的外觀與配置
| 型號 | GST-ZF-101Z |
| 功耗 | 靜態功耗≤0.36W,最大功耗≤1.68W |
| 顯示區域 | 全部火警+用戶設定+相鄰樓層 |
| 標準二級漢字庫 | / |
| 顯示容量 | 可跨回路顯示,120條火警信息 |
| 顯示方式 | 數字信息 |
| 通訊方式 | 消防二總線,無極性 |
| 消音功能 | 現場+遠程 |
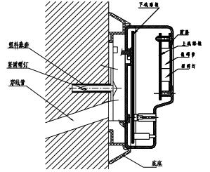
三、GST-ZF-101Z總線型火災顯示盤的安裝與布線
| 安裝方式 | 壁掛式安裝 |
| 接地線 | 不需要 |
| 線制 | 四線制,2線無極性電源+2線無極性消防總線 |
| 電源線/通訊線防接錯功能 |
有 |
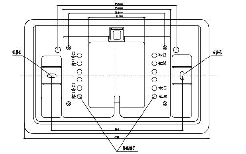
GST-ZF-101Z 火災顯示盤的外形示意圖如圖所示:

GST-ZF-101Z火災顯示盤分底座及顯示盤兩部分,采用壁掛式安裝,外接線路可直接與火災顯示盤的底座連接,火災顯示盤安裝底座示意圖如圖

GST-ZF-101Z火災顯示盤安裝示意圖:

GST-ZF-101Z火災顯示盤接線端子示意圖如圖:

其中:
Z1、Z2:與火災報警控制器連接的通訊總線,不分極性;
D1、D2:電源供電線,不分極性。
智淼君安(江蘇)消防工程技術有限公司http://m.qhjuheng.com/
海灣消防公司主營:海灣消防報警系統銷售,消防設備安裝,海灣氣體滅火、海灣電氣火災、消防水噴淋系統施工安裝,售后維修,海灣消防網站:http://m.qhjuheng.com/;海灣消防服務熱線:4006-598-119
本頁關鍵詞:GST-ZF-101Z火災顯示盤
上一篇:沒有了! 下一篇:GST-ZF-500Z火災顯示盤
產品中心

蘇公網安備32058102002147號